






常用的有MAL鋁合金迷你氣缸型號,MA不銹鋼迷你氣缸,DSNU迷你氣缸,CM2迷你氣缸,CJ1、CJP、CJ2等微型迷你氣缸。
迷你氣缸的主要特點和優勢,
1、迷你氣缸缸徑一般分為6.10.12.16.20.25.32.40mm不等。
2、結構尺寸緊湊,前后螺紋安裝固定,能有效節省按裝空間,可適用于高頻率的使用要求
3、多種氣缸安裝附件可供選擇,靈活多變。
如何進行標準氣缸選型呢?**確認缸徑和行程

行程就是活塞桿伸出去和縮回來之間的誤差距離,有些人會把氣缸本身外露算行程,這都是錯誤的。缸徑就是缸筒內壁的直徑,一般量外徑也是可以估算內徑的大小,同等氣壓下,缸徑越大出力越大。
國內常用的迷你氣缸其功能都是一樣的,主要差別是外形安裝尺寸以及型號;
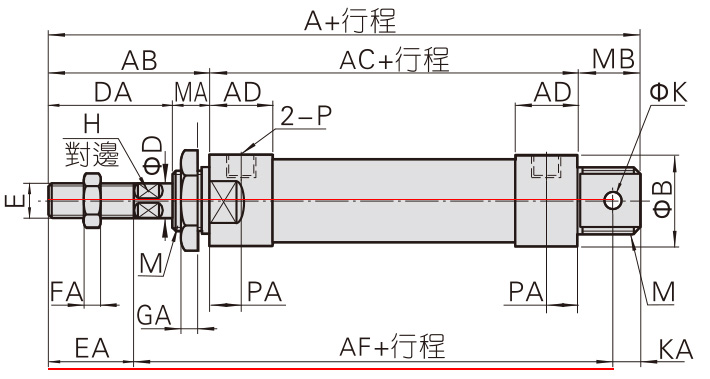
這是一個迷你氣缸的基本外形圖,后安裝:標準尾巴CA安裝只要確認K安裝孔的大小和中心點到氣缸活塞頂端的就可以代替。

前安裝要確認AB的距離和螺紋的大小就可以,只要后面安裝空間足夠,尾端是平尾還是CA都沒關系。

瑞亨氣動服務于自動化配套與解決方案,值得信賴的氣缸廠家




